聯系我們

手機:15342214292
郵箱:hezi027@qq.com
QQ:3212587206
地址:武漢市東西湖區創谷路20號科創中心22棟
干貨講堂 | 最全變壓器圖文解析
發布時間:2025-01-23 14:04:08人氣:
一、變壓器的種類和功能特點
變壓器是一種用來變換電壓、電流或阻抗的電氣部件,是電力系統中輸配電力的主要設備,其實物外形如圖1-1所示。
在遠距離傳輸電力時,可使用變壓器將發電站送出的電壓升高,以減少在電力傳輸過程中的損失,以便于遠距離輸送電力;在用電的地方,變壓器將高壓降低,以供用電設備和用戶使用。變壓器的分類方式有很多種,根據其電源相數的不同,主要可以分為單相變壓器和三相變壓器。
二、變壓器的型號與技術參數
電氣系統中應用最多的就是電力變壓器,由于電力變壓器的種類很多,其型號的標識以及參數也有所不同,因此常常將這些型號與參數標識在變壓器的銘牌上,以便于在安裝和檢修時進行查看。圖1-8所示為典型電力變壓器的銘牌標識。

三、變壓器在線路中的符號標識
變壓器一般用于電氣設備的控制線路以及配電線路中,是電氣設備控制線路中比較常用的設備之一,因此了解變壓器在線路中的符號標識也是非常重要的。變壓器在線路中一般用字母“T”表示,并使用圖形符號進行標識,如圖1-12所示。
變壓器的一般圖形符號有兩種,分別用于配電線路和電氣線路中,其中電壓輸入端為變壓器的初級繞組,電壓輸出端為變壓器的次級繞組。此外帶有磁芯或中心抽頭的變壓器,在其圖形符號中也有所表示,如圖1-13所示。
有些三相變壓器在圖形符號中還可以體現出變壓器的連接方式,如圖1-15所示。
在實際的線路中,單相變壓器的連接方式有兩種,分別為串聯方式和并聯方式,如圖1-16所示。變壓器經串聯可以得到較大的額定電壓,而并聯可以得到較大的額定電流。
三相變壓器內部的繞組較多,最常用的就是星形(Y形)的聯結方式,這種結構是指三相變壓器的初級繞組以Y形進行聯結,即每個繞組的末端連接到中性點上,繞組的另一端與相應的線路進行連接,如圖1-17所示。
三相變壓器在線路中最常用的就是Y-Y形聯結,即初級繞組和次級繞組均用Y形的聯結方式,如圖1-18所示。
變壓器是一種用來變換電壓、電流或阻抗的電氣部件,是電力系統中輸配電力的主要設備,其實物外形如圖1-1所示。

圖1-1 變壓器的實物外形
在遠距離傳輸電力時,可使用變壓器將發電站送出的電壓升高,以減少在電力傳輸過程中的損失,以便于遠距離輸送電力;在用電的地方,變壓器將高壓降低,以供用電設備和用戶使用。變壓器的分類方式有很多種,根據其電源相數的不同,主要可以分為單相變壓器和三相變壓器。
1、單相變壓器的功能特點

圖1-2 單相變壓器的結構特點
單相變壓器是一種初級繞組為單相繞組的變壓器。如圖1-2所示,單相變壓器的初級繞組和次級繞組均纏繞在鐵芯上,初級繞組為交流電壓輸入端,次級繞組為交流電壓輸出端。次級繞組的輸出電壓與線圈的匝數成正比。
單相變壓器可將高壓供電變成單相低壓,供各種設備使用,例如可將交流6600V高壓經單相變壓器變為交流220V低壓,為照明燈或其他設備供電,如圖1-3所示。單相變壓器有結構簡單、體積小、損耗低等優點,適宜在負荷較小的低壓配電線路(60Hz以下)中使用。
單相變壓器可將高壓供電變成單相低壓,供各種設備使用,例如可將交流6600V高壓經單相變壓器變為交流220V低壓,為照明燈或其他設備供電,如圖1-3所示。單相變壓器有結構簡單、體積小、損耗低等優點,適宜在負荷較小的低壓配電線路(60Hz以下)中使用。

圖1-3 單相變壓器的功能示意圖
單相變壓器多用于農村輸配電系統中,以及一些照明或小型電動機的供電中,其應用實例如圖1-4所示。此外在很多電子電氣設備中,它也可作為電源變壓器使用。

圖1-4 單相變壓器的應用實例
2、三相變壓器的功能特點
三相變壓器是電力設備中應用比較多的一種變壓器。三相變壓器實際上是由3個相同容量的單相變壓器組合而成的,初級繞組(高壓線圈)為三相,次級繞組(低壓線圈)也為三相,如圖1-5所示。

圖1-5 三相變壓器的結構特點
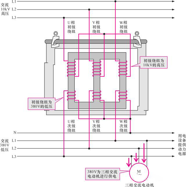
三相變壓器主要用于三相供電系統中的升壓或降壓,比較常用的就是將幾千伏的高壓變為380V的低壓,為用電設備提供動力電源,如圖1-6所示。

圖1-6 三相變壓器的功能示意圖
三相變壓器的應用范圍比較廣泛,例如變電站、工礦企業、建筑工地、排灌設備、郵電、紡織、鐵路、學校、醫院、國防、電梯等,同時也適用于一些電源電壓低、波動較大的低壓配電線路中。其應用實例如圖1-7所示。

圖1-7 三相變壓器的應用實例
二、變壓器的型號與技術參數
電氣系統中應用最多的就是電力變壓器,由于電力變壓器的種類很多,其型號的標識以及參數也有所不同,因此常常將這些型號與參數標識在變壓器的銘牌上,以便于在安裝和檢修時進行查看。圖1-8所示為典型電力變壓器的銘牌標識。

在變壓器的銘牌上,標識有該變壓器的型號以及技術參數等內容,下面分別介紹一下變壓器的型號含義和技術參數。
1、變壓器的型號含義
變壓器的種類有很多,為了便于區別各種不同類型的變壓器,通常使用字母或數字對變壓器的型號命名進行標識。變壓器的型號通常是由字母和數字組成的,用來表示變壓器的相數、冷卻方式、調壓方式、繞組線芯材料、繞組連接方式等內容,如圖1-9所示。
變壓器的種類有很多,為了便于區別各種不同類型的變壓器,通常使用字母或數字對變壓器的型號命名進行標識。變壓器的型號通常是由字母和數字組成的,用來表示變壓器的相數、冷卻方式、調壓方式、繞組線芯材料、繞組連接方式等內容,如圖1-9所示。

圖1-9 變壓器的型號命名方法
產品名稱:變壓器的產品名稱通常用字母來表示,表示產品的線圈耦合方式、相數、冷卻方式、線圈數、線圈導線材質、調壓方式以及特殊用途等內容,見表1-1所列。

表1-1 變壓器的產品名稱含義

續表
設計序號:也稱技術序號,用數字表示,表示同類產品中的不同品種,以區分產品的外形尺寸和性能指標等,有時會被省略。
額定容量:變壓器的額定容量用“kVA”來表示,可以讀作“千伏安”。變壓器使用kVA作單位,原因是在負載沒有確定的情況下,是不能得到有功功率(符號P,單位kW)和無功功率(符號Q,單位kvar)的大小的,只能使用kVA為單位表示功率,例如1kVA的變壓器的輸出功率約為1kW。
高壓側額定電壓:變壓器的高壓側額定電壓即為初級繞組輸入端輸入的額定電壓值,一般用字母“kV”表示,例如10kV表示變壓器初級繞組可輸入10kV的電壓。
額定容量:變壓器的額定容量用“kVA”來表示,可以讀作“千伏安”。變壓器使用kVA作單位,原因是在負載沒有確定的情況下,是不能得到有功功率(符號P,單位kW)和無功功率(符號Q,單位kvar)的大小的,只能使用kVA為單位表示功率,例如1kVA的變壓器的輸出功率約為1kW。
高壓側額定電壓:變壓器的高壓側額定電壓即為初級繞組輸入端輸入的額定電壓值,一般用字母“kV”表示,例如10kV表示變壓器初級繞組可輸入10kV的電壓。
2、變壓器的主要技術參數
變壓器的主要技術參數一般都標注在變壓器的銘牌上,一般包括額定容量、額定電壓、額定電流、冷卻方式、額定頻率、絕緣電阻、繞組聯結組、相數、阻抗電壓等,如圖1-10所示。
變壓器的主要技術參數一般都標注在變壓器的銘牌上,一般包括額定容量、額定電壓、額定電流、冷卻方式、額定頻率、絕緣電阻、繞組聯結組、相數、阻抗電壓等,如圖1-10所示。

圖1-10 變壓器銘牌上的技術參數標識
此外,變壓器的技術參數還有空載損耗、負載損耗、溫升方式、空載電流、吊重、油重、總重、運輸重、油箱耐受真空能力等,如圖1-11所示。

圖1-11 變壓器的其他技術參數
三、變壓器在線路中的符號標識
變壓器一般用于電氣設備的控制線路以及配電線路中,是電氣設備控制線路中比較常用的設備之一,因此了解變壓器在線路中的符號標識也是非常重要的。變壓器在線路中一般用字母“T”表示,并使用圖形符號進行標識,如圖1-12所示。

圖1-12 變壓器在線路中的符號標識
變壓器的一般圖形符號有兩種,分別用于配電線路和電氣線路中,其中電壓輸入端為變壓器的初級繞組,電壓輸出端為變壓器的次級繞組。此外帶有磁芯或中心抽頭的變壓器,在其圖形符號中也有所表示,如圖1-13所示。

圖1-13 變壓器的圖形符號
有些三相變壓器在圖形符號中還可以體現出變壓器的連接方式,如圖1-15所示。

圖1-15 三相變壓器圖形符號表示的連接方式
在實際的線路中,單相變壓器的連接方式有兩種,分別為串聯方式和并聯方式,如圖1-16所示。變壓器經串聯可以得到較大的額定電壓,而并聯可以得到較大的額定電流。

圖1-16 單相變壓器在線路中的連接方式
三相變壓器內部的繞組較多,最常用的就是星形(Y形)的聯結方式,這種結構是指三相變壓器的初級繞組以Y形進行聯結,即每個繞組的末端連接到中性點上,繞組的另一端與相應的線路進行連接,如圖1-17所示。

圖1-17 三相變壓器星形聯結方式
三相變壓器在線路中最常用的就是Y-Y形聯結,即初級繞組和次級繞組均用Y形的聯結方式,如圖1-18所示。

圖1-18 三相變壓器Y-Y形聯結方式

