聯系我們

手機:15342214292
郵箱:hezi027@qq.com
QQ:3212587206
地址:武漢市東西湖區創谷路20號科創中心22棟
干貨講堂 | 斷路器二次控制回路原理圖解
發布時間:2025-03-04 14:26:23人氣:
本文簡單描述斷路器控制回路的基本原理,由最基本的回路入手,逐步加入防跳回路和閉鎖回路,并對電路做一些完善。當然,本文所給出的回路原理圖僅僅是最最基本的、用于解釋其基本原理的,實際應用中的回路要復雜得多。
一次設備是指直接用于生產、輸送、分配電能的電器設備,包括發電機、電力變壓器、斷路器、隔離開關、母線、電力電纜和輸電線路等,是構成電力系統的主體。二次設備是用于對電力系統及一次設備的工況進行監測、控制、調節和保護的低壓電氣設備,包括測量儀表、通信設備等。二次設備之間的相互連接的回路統稱為二次回路,它是確保電力系統安全生產、經濟運行和可靠供電不可缺少的重要組成部分。
一、 最最基本的回路原理圖
SB1:合閘開關 SB2:分閘開關 QF:斷路器輔助觸點 LC:合閘線圈 LT:分閘線圈
其動作原理很簡單,不再贅述。
二、 增加防跳回路
上面的回路存在一個問題:
如果SB1按下,而此時電路中存在故障,繼電保護設備會立即動作,使斷路器跳閘,此過程幾乎瞬時發生,而操作人員尚來不及松開SB1,則SB1回路中的QF由于斷路器跳閘而復又閉合,此時會導致LC再次得電,斷路器再次合閘。如此往復,發生了“跳躍”。
如果合閘成功,但SB1由于某種原因粘連而無法斷開,那么在操作人員按下SB2進行分閘時,由于SB1粘連,同樣會導致跳躍現象的發生。
跳躍現象對設備和操作人員的安全均構成很大危害,所以需要增加防跳回路。
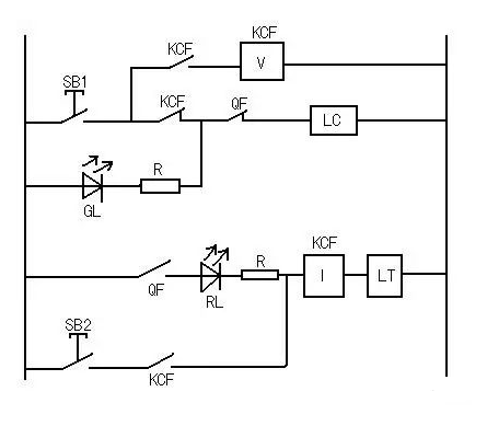
增加了防跳回路的原理圖如下:
KCF(I):電流防跳繼電器,電流達到限定值時動作,此回路中,防止合閘于故障時的跳躍
KCF(V):電壓防跳繼電器,電壓達到限定值時動作,此回路中,防止分閘于故障時的跳躍
動作過程如下:
合閘:SB1按下。綠燈(GL)失電熄滅,LC得電。斷路器合閘。QF改變狀態。紅燈(RL)亮,KCF(I)得電【由于有RL和R的限流,分閘線圈LT不足以動作】。KCF各輔助觸點改變狀態。KCF(V)得電。
達到上述狀態,則合閘動作完成,此過程幾乎瞬時完成,SB1尚來不及松開。
若此時由于故障,保護裝置使斷路器跳閘,則由于KCF(V)的保持作用,SB1回路經KCF輔助觸點改道KCF(V)回路,不會再使LC得電,也就避免了斷路器的再次合閘,從而避免了跳躍的發生。
如果回路沒有故障,則合閘成功。此時松開SB1,則KCF(V)失電,但由于KCF(I)依然得電,則KCF的各個輔助觸點保持。
分閘:SB2按下。RL失電熄滅,LT得電且達到限定電流動作。斷路器分閘。QF恢復到圖中初始狀態。正常狀態下,在合閘成功后,各KCF輔助觸點仍然保持合閘后的狀態,使SB1支路經由KCF(V)導通。松開SB2。KCF(I)、KCF(V)均失電。各KCF輔助觸點恢復圖中初始狀態,GL回路導通,綠燈亮【由于有GL和R的限流,LC合閘線圈不足以動作】。
若由于故障,最典型如SB1粘連:由于合閘成功后各KCF輔助觸點的保持,此時,SB1回路改道KCF(V)回路,不會再使LC再次得電而導致斷路器合閘,從而避免了跳躍現象的發生。
三、增加閉鎖回路
增加了防跳回路的控制回路已得到了一定的完善,但是仍存在問題:例如斷路器的操動系統存在問題(液壓、氣壓過高或過低,彈簧儲能尚未完成等),此時進行分、合閘操作,則很容易導致分、合閘的動作失敗。例如:斷路器的操動機構為彈簧,若彈簧儲能未完成,則分、合閘動作不能完成,或完成得不到位,容易對設備造成損害。
故需增加閉鎖回路,防止此類情況發生。下面以彈簧操動機構的斷路器舉例,簡要說明一下增加彈簧儲能閉鎖回路的二次回路。
原理圖如下:
B1:彈簧儲能未完成時閉合
若彈簧儲能未完成,則B1閉合,線圈K3、KL得電,最終導致輔助觸點KL、K10跳開,此時無論是合閘還是分閘均無法實現,起到了所期望的閉鎖效果。
四、進一步的完善
直到第三節,本文所欲簡述的斷路器二次回路已初具雛形,但仍需做進一步的完善:指示燈RL和GL直接接在分、合閘線圈所在回路中,如果所用的是功率較大的白熾燈,則會在分、合閘線圈上產生較大壓降,同時切斷分、合閘線圈時可能產生的較大干擾電壓也容易使白熾燈燒壞。要避免上述缺點,可以用中間繼電器接在分、合閘回路,再由繼電器接點控制指示燈,原理圖如下:(其原理相對簡單,此處不再贅述)
一次設備是指直接用于生產、輸送、分配電能的電器設備,包括發電機、電力變壓器、斷路器、隔離開關、母線、電力電纜和輸電線路等,是構成電力系統的主體。二次設備是用于對電力系統及一次設備的工況進行監測、控制、調節和保護的低壓電氣設備,包括測量儀表、通信設備等。二次設備之間的相互連接的回路統稱為二次回路,它是確保電力系統安全生產、經濟運行和可靠供電不可缺少的重要組成部分。
一、 最最基本的回路原理圖

SB1:合閘開關 SB2:分閘開關 QF:斷路器輔助觸點 LC:合閘線圈 LT:分閘線圈
其動作原理很簡單,不再贅述。
二、 增加防跳回路
上面的回路存在一個問題:
如果SB1按下,而此時電路中存在故障,繼電保護設備會立即動作,使斷路器跳閘,此過程幾乎瞬時發生,而操作人員尚來不及松開SB1,則SB1回路中的QF由于斷路器跳閘而復又閉合,此時會導致LC再次得電,斷路器再次合閘。如此往復,發生了“跳躍”。
如果合閘成功,但SB1由于某種原因粘連而無法斷開,那么在操作人員按下SB2進行分閘時,由于SB1粘連,同樣會導致跳躍現象的發生。
跳躍現象對設備和操作人員的安全均構成很大危害,所以需要增加防跳回路。
增加了防跳回路的原理圖如下:

KCF(I):電流防跳繼電器,電流達到限定值時動作,此回路中,防止合閘于故障時的跳躍
KCF(V):電壓防跳繼電器,電壓達到限定值時動作,此回路中,防止分閘于故障時的跳躍
動作過程如下:
合閘:SB1按下。綠燈(GL)失電熄滅,LC得電。斷路器合閘。QF改變狀態。紅燈(RL)亮,KCF(I)得電【由于有RL和R的限流,分閘線圈LT不足以動作】。KCF各輔助觸點改變狀態。KCF(V)得電。
達到上述狀態,則合閘動作完成,此過程幾乎瞬時完成,SB1尚來不及松開。
若此時由于故障,保護裝置使斷路器跳閘,則由于KCF(V)的保持作用,SB1回路經KCF輔助觸點改道KCF(V)回路,不會再使LC得電,也就避免了斷路器的再次合閘,從而避免了跳躍的發生。
如果回路沒有故障,則合閘成功。此時松開SB1,則KCF(V)失電,但由于KCF(I)依然得電,則KCF的各個輔助觸點保持。
分閘:SB2按下。RL失電熄滅,LT得電且達到限定電流動作。斷路器分閘。QF恢復到圖中初始狀態。正常狀態下,在合閘成功后,各KCF輔助觸點仍然保持合閘后的狀態,使SB1支路經由KCF(V)導通。松開SB2。KCF(I)、KCF(V)均失電。各KCF輔助觸點恢復圖中初始狀態,GL回路導通,綠燈亮【由于有GL和R的限流,LC合閘線圈不足以動作】。
若由于故障,最典型如SB1粘連:由于合閘成功后各KCF輔助觸點的保持,此時,SB1回路改道KCF(V)回路,不會再使LC再次得電而導致斷路器合閘,從而避免了跳躍現象的發生。
三、增加閉鎖回路
增加了防跳回路的控制回路已得到了一定的完善,但是仍存在問題:例如斷路器的操動系統存在問題(液壓、氣壓過高或過低,彈簧儲能尚未完成等),此時進行分、合閘操作,則很容易導致分、合閘的動作失敗。例如:斷路器的操動機構為彈簧,若彈簧儲能未完成,則分、合閘動作不能完成,或完成得不到位,容易對設備造成損害。
故需增加閉鎖回路,防止此類情況發生。下面以彈簧操動機構的斷路器舉例,簡要說明一下增加彈簧儲能閉鎖回路的二次回路。
原理圖如下:

B1:彈簧儲能未完成時閉合
若彈簧儲能未完成,則B1閉合,線圈K3、KL得電,最終導致輔助觸點KL、K10跳開,此時無論是合閘還是分閘均無法實現,起到了所期望的閉鎖效果。
四、進一步的完善
直到第三節,本文所欲簡述的斷路器二次回路已初具雛形,但仍需做進一步的完善:指示燈RL和GL直接接在分、合閘線圈所在回路中,如果所用的是功率較大的白熾燈,則會在分、合閘線圈上產生較大壓降,同時切斷分、合閘線圈時可能產生的較大干擾電壓也容易使白熾燈燒壞。要避免上述缺點,可以用中間繼電器接在分、合閘回路,再由繼電器接點控制指示燈,原理圖如下:(其原理相對簡單,此處不再贅述)


