聯系我們

手機:15342214292
郵箱:hezi027@qq.com
QQ:3212587206
地址:武漢市東西湖區創谷路20號科創中心22棟
變壓器試驗--局部放電測量試驗--【赫茲電力】
發布時間:2024-03-15 14:54:11人氣:

變壓器局部放電分類及試驗目的
電力變壓器是電力系統中很重要的設備,通過局部放電測量判斷變壓器的絕緣狀況是相當有效的,并且已作為衡量電力變壓器質量的重要檢測手段之一。
高壓電力變壓器主要采用油一紙屏障絕緣,這種絕緣由電工紙層和絕緣油交錯組成。由于大型變壓器結構復雜、絕緣很不均勻。當設計不當,造成局部場強過高、工藝不良或外界原因等因素造成內部缺陷時,在變壓器內必然會產生局部放電,并逐漸發展,后造成變壓器損壞。電力變壓器內部局部放電主要以下面幾種情況出現:
(1)繞組中部油一紙屏障絕緣中油通道擊穿;
(2)繞組端部油通道擊穿;
(3)緊靠著絕緣導線和電工紙(引線絕緣、搭接絕緣,相間絕緣)的油間隙擊穿;
(4)線圈間(匝間、餅聞)縱絕緣油通道擊穿;
(5)絕緣紙板圍屏等的樹枝放電;
(6)其他固體絕緣的爬電;
(7)絕緣中滲入的其他金屬異物放電等。
因此,對已出廠的變壓器,有以下幾種情況須進行局部放電試驗:
(1)新變壓器投運前進行局部放電試驗,檢查變壓器出廠后在運輸、安裝過程中有無絕緣損傷。
(2)對大修或改造后的變壓器進行局放試驗,以判斷修理后的絕緣狀況。
(3)對運行中懷疑有絕緣故障的變壓器作進一步的定性診斷,例如油中氣體色譜分析有放電性故障,以及涉及到絕緣其他異常情況。
測量回路接線及基本方法
1、外接耦合電容接線方式
對于高壓端子引出套管沒有尾端抽壓端或末屏的變壓器可按圖1所示回路連接。

圖1:變壓器局部放電測試儀外接耦合電容測量方式
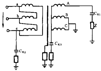
110kV以上的電力變壓器一般均為半絕緣結構,且試驗電壓較高,進行局部放電測量時,高壓端子的耦合電容都用套管代替,測量時將套管尾端的末屏接地打開,然后串入檢測阻抗后接地。測量接線回路見圖2或圖3。

圖2:變壓器局部放電測試中性點接地方式接線

圖3:變壓器局部放電測試中性點支撐方式接線
圖2于實際現場測量時,通常采用逐相試驗法,試驗電源一般采用100~150Hz倍頻電源發電機組。當現場不具備倍頻電源時,也可用工頻逐相支撐加壓的方式進行試驗,中性點支撐方法接線見圖3,因為大型變壓器絕緣結構比較復雜,用逐相加壓的方式還有助于判斷故障位置。
加壓方法可采用低壓側加壓,在高壓側感應獲得試驗電壓。用倍頻電源加壓時則可達到對主絕緣和縱絕緣同時進行考核。但若采用工頻電源進行試驗,由于過勵磁的限制,試驗電壓只能加到額定電壓的1.1~1.2倍。
2、多端子測量方法
當用電測法發現變壓器存在有超過標準的量值或較大的個別脈沖時,可利用電測法多端校正、多點測量來粗略地判斷放電部位。首先,利用分相測試判斷放電在變壓器的哪一相,然后在變壓器的高壓、中壓、中性點套管的末屏以及鐵芯接地點串入檢測阻抗,在低壓側接一耦合電容(1000-6000pF),串入檢測阻抗,見圖2和圖3所示。由此,在變壓器作某一相試驗時,就可有4-5個測點。分別以高壓對地、低壓對地、中壓對地、鐵芯對地注入標準校正方波,相應地在各測點都分別測得某注入點方波的響應系數,并記錄各點的校正系數。校正完畢后加壓進行測量,各個測量點的測值都分別以某注入的校正系數來計算。如果各測量點以某點校正的參數計算出的幾個結果值接近,則放電位置就在該校正點附近。例如在A相高壓端子有一故障放電脈沖,以高壓端校正時,分別在高壓測點測得校正響應系數為K11,在中性點測得為K21,在鐵芯側測得系數為K41,在低壓側測得為K31,見表1,然后測量時各點計算值高壓以K11計算,中性點以K21計,鐵芯以K31計,低壓以K41計,由此計算出的4個結果應相近。

大型變壓器的局部放電測量,由于現場設備條件差、干擾大,對準確測試帶來了一定的困難。因此,如何根據現場的實際條件進行試驗,采用怎樣的防干擾措施等,是試驗中較重要的問題。

